Resource Utilization and Management

Pattern optimization and carbon emissions of coal supply in China

  • LIU Jun-bo , 1 ,
  • GAO Jun-lian 1, 2 ,
  • XU Xiang-yang , 1, 2
Expand
  • 1. School of Management, China University of Mining and Technology, Beijing 100083, China
  • 2. Center for Resources and Environmental Policy Research, China University of Mining and Technology, Beijing 100083, China

Received date: 2018-07-02

  Request revised date: 2018-11-09

  Online published: 2019-03-28

Copyright

《自然资源学报》编辑部 所有

Abstract

As the economic development of China enters into a new normal, coal industry is changing greatly. To reduce the total cost of the coal supply industry in China and calculate the carbon emission of it, we developed the R-CSSM model based on linear program method to optimize the future pattern of China's coal production and transportation on the basis of the collection and analysis of the present situation of the coal supply industry and relevant policy. The carbon emission coefficients were calculated after we examined each link of the coal supply industry in different regions. Then we used these coefficients to calculate the carbon emissions from coal related activities under the optimized pattern. The results show that, under the existing arrangements and the constraints of resources and policy, China's coal production will continue to be centralized, the coal production of Shanxi, Shaanxi, Inner Mongolia, Ningxia, Gansu and Xinjiang will continue to rise, accounting for nearly 88% of all coal production in China by 2030, and this ratio rises by 17% compared with 2015. The pressure of coal transportation would increase first and then decrease, the railway transportation ability of Xinjiang, and southwestern and northeastern China for coal will be low, and railway expansion and reconstruction project need to be taken in these places. By 2020, the coal supply industry would have a total emission of about 641 million tons of carbon dioxide-equivalent, compared with 2015, and emission per unit of supply will fall by 8.75%. And the coal supply industry would have a total emission of about 526 million tons of carbon dioxide-equivalent in 2030, compared with 2015, emission per unit of supply will fall by 15.34%. Based on that, the coal production capacity, the coal transportation capacity, and the carbon emissions of coal supply industry in each province were analyzed. And the relevant suggestions for the development of China's coal industry have been put forward, which can provide a good support for the related decision making and the carbon emission reduction of coal industry.

Cite this article

LIU Jun-bo , GAO Jun-lian , XU Xiang-yang . Pattern optimization and carbon emissions of coal supply in China[J]. JOURNAL OF NATURAL RESOURCES, 2019 , 34(3) : 473 -486 . DOI: 10.31497/zrzyxb.20190303

富煤、贫油、少气的能源赋存特点,决定了煤炭在中国能源结构中的绝对主导地位,并且在未来很长一段时期内,煤炭的主体地位不会改变。2015年中国煤炭产量37.5亿t,占世界煤炭产量的47%,煤炭消费量39.65亿t,占世界煤炭消费量的一半。煤炭作为国家能源的主要来源之一,对中国经济发展起到了重要的支柱作用,然而煤炭行业造成的巨量碳排放,也是导致中国成为世界头号碳排放国的主要原因之一。面对“到2020年中国单位国内生产总值CO2排放量比2005年下降40%~45%”的国际承诺,减排工作压力巨大。煤炭供应行业是煤炭行业的中上游部分,指煤炭经采选后,通过各种运输方式输送至消费终端的这一过程,即煤炭生产和运输。优化煤炭供应行业格局,对实现中国经济健康发展、保障各省能源供给、构建集约高效的煤炭工业体系有着重要的现实意义。在煤炭生产和运输过程中,煤炭相关活动产生的碳排放是中国碳排放清单的重要构成部分,研究煤炭供应行业碳排放,对中国减排工作有着重要的参考价值。
在煤炭供应行业中,煤炭生产影响煤炭运输,煤炭运输反作用于煤炭生产,二者相互影响、互为制约,因此应将二者视为一个整体系统,统筹考虑。国内众多学者在关于中国煤炭资源分布、产业分布、运输通道及优化等方面做了大量研究,而对煤炭产、运一体化的研究相对较少。赵媛等[1]根据中国煤炭资源流动省的煤炭输入输出及资源储备状况,对各省进行划分,并梳理了中国煤炭资源流动的通道;高卫东等[2]研究了煤炭供应格局演变并梳理了流动路径;王伟等[3]研究了煤炭海运格局特征及演变规律;汪应宏等[4]、周洪等[5]引用资源场势理论,分析了中国煤炭空间分布及时空演变特征;王成金等[6]利用O-D2研究了中国煤炭流动格局及流场规律;刘金平等[7]利用ArcGIS平台,建立中国煤炭供需数据库,并运用山体水重力模型优化中国煤炭运输通道布局。结合前人已有研究成果,统筹煤炭生产和煤炭调运,在现有煤炭供应格局的基础上,在资源、政策等约束下,研究优化中国未来煤炭产运格局并核算碳排放。

1 研究方法与数据来源

1.1 研究方法

基于线性优化思想,在R语言开源软件包energyRt的基础上开发了R-CSSM模型(分区煤炭供给模型)。R-CSSM模型是一种自下而上的模型,充分考虑地区差异,分省进行煤炭供给分析。模型的约束条件主要考虑煤炭资源赋存、煤炭行业相关国家政策(环境政策、经济政策)、现有煤炭产能、地区间煤炭运输能力、技术经济参数等。研究空间为内陆30个煤炭流动省区(不包含港澳台藏),时段为2015-2030年。
1.1.1 R-CSSM模型原理
以省为单位的煤炭活动主要包括生产Mi、需求Ni、库存Si、流入Pi、流出Qi、进口Ii、出口Ei七个方面,假设i省煤炭库存Si无变化,则表达式如下:
N i = M i + P i + I i - Q i - E i (1)
式中: P i = j = 1 P ji ;Pjij省流入到i省的煤炭流入量; Q i = Q ik ;Qiki省流出到k省的煤炭流出量;由于出口Ei极小忽略不计。
模型目标函数和约束条件如下:
TC = min ( i = 1 M i × C M i + i = 1 j = 1 P ji × C P ji ) s . t . N i = M i + P i + I i - Q i - E i M i σ i × E M i P ji E P ji (2)
式中:TC为全国煤炭供应行业总成本;CMii省吨煤生产成本;CPjij省流入到i省的吨煤运输成本;EMii省煤炭生产产能;σii省煤炭产能利用率;EPjij省流入到i省的煤炭运能;Mii省实际煤炭产量。
1.1.2 碳排放核算原理
由式(2)可得优化的MiPji,从而计算煤炭供应行业总排放,计算公式如下:
TB = i = 1 M i × δ i + i = 1 N i × ε i + i = 1 j = 1 P ji × ε ji (3)
式中:TB为煤炭供应行业总排放;δii省煤炭采选环节碳排放系数;εii省省内煤炭运输碳排放系数;εjij省到i省煤炭调运环节碳排放系数。

1.2 数据收集与处理方法

1.2.1 煤炭需求端
构建自下而上的煤炭供给模型,据相关研究[8,9]给出外生需求Ni,如图1
Fig. 1 The coal demand of different regions

图1 分区煤炭需求

1.2.2 煤炭供给端
(1)供给能力EMi
中国煤炭资源西多东少、北富南贫,煤炭产业格局呈东、中、西梯级开发。随着中国经济社会的发展进入新常态,煤炭行业变化巨大,今后中国煤炭开发将压缩东部、限制中部和东北、优化西部[9]。根据相关政策分析各省2020年煤炭供给能力EMi表1。政策中对产量做出限制的,按Miσi×EMi处理,其中产能利用率σi≤84%[10]
Table 1 The coal production capacities of diffierent provinces of China in 2020 (万t/年)

表1 2020年各省煤炭产能

省区 “十三五”政策 EMi 政策来源
北京 十三五期间逐步退出煤炭生产 0 煤炭工业发展“十三五”规划
陕西 产能控制在66000万t左右 66000 煤炭工业发展“十三五”规划
宁夏 宁东煤炭基地产量9000万t左右 10700 煤炭工业发展“十三五”规划
山东 煤炭产量压缩到10000万t左右 12000 煤炭工业发展“十三五”规划
河南 河南煤炭基地产量13500万t左右 16000 煤炭工业发展“十三五”规划
黑龙江 黑龙江维持2015年现有生产规模 8000 煤炭工业发展“十三五”规划
新疆 新疆煤炭产量25000万t左右 30000 煤炭工业发展“十三五”规划
贵州 云贵煤炭基地产量26000万t左右 31000 煤炭工业发展“十三五”规划
安徽 安徽煤炭产量控制在13000万t左右 15500 安徽省能源发展“十三五”规划
福建 十三五期间压缩产能600万t以上 1500 福建“十三五”能源发展专项规划
河北 煤炭产能控制在7000万t左右 7000 河北煤炭工业发展“十三五”规划
四川 全省生产原煤4500万t左右 5400 四川省“十三五”能源发展规划
江西 去产能1868万t 1670 江西省“十三五”煤炭发展规划
湖南 湖南省煤炭产量2500万t左右 3000 湖南省煤炭“十三五”规划
重庆 预测煤炭产量2000万t左右 2400 重庆能源集团事业发展部
江苏 江苏省煤炭产量700万t左右 850 江苏省“十三五”规划
内蒙古 内蒙古煤炭产能130000万t左右 130000 内蒙古“十三五”规划
山西 山西省煤炭产能120000万t左右 120000 山西“十三五”规划
湖北 “十三五”期间去产能800万t 1400 湖北省政府工作报告
云南 煤炭产能不超过7000万t 7000 云南省去产能规划
甘肃 退出产能1000万t 5560 甘肃省工业领域去产能去库存降成本实施方案
模型关于2030年各省煤炭产能的设定,是在“十三五”规划指导思想的基础上,继续压缩东部、限制中部和东北、优化西部。主产地(晋陕蒙宁甘疆)2030年煤炭产能维持在2020年的水平,且西部主产地(陕蒙宁甘疆)经优化后,2020年后的产能利用率可达90%;根据《山东省煤炭工业中长期发展规划》要求,2030年煤炭产能压缩40%,并以此设定次产地(黑鲁豫皖滇黔)的产能压缩力度;华中、东南沿海地区资源赋存基本枯竭,因此设定该区域退出煤炭生产;其他煤炭净流入区的产能压缩60%。
(2)生产成本CMi
区域间煤炭采选成本存在差异,因各地区成本数据较难获得,所以用相对成本通过几个典型矿区来确定。新疆煤炭资源丰富,且经济落后,多数煤矿正处于起步期,开发时间短、程度浅,因此生产成本最低(采用准东煤田奇台县将军戈壁二号露天矿数据[11]);晋陕蒙宁甘地区煤炭资源丰富,多数煤矿正值青壮年时期,开发潜力大,因此生产成本较低(采用内蒙古东明煤矿数据[12]);西南地区煤炭资源赋存较多,但开发条件差,因此生产成本中等(采用贵州永贵能源公司新田矿井数据[13]);东北地区煤矿开发时间早、强度大,且吉林省资源面临枯竭,因此生产成本较高(取西南的1.1倍);华中、东南沿海地区煤炭资源赋存少,且经济发达,因此生产成本最高(取东北的1.1倍);华东地区距消费市场近,开发时间早、强度大,且经济发达,因此生产成本最高(取华中数据)。由于生产成本主要受物价指数的影响,因此为方便计算,假设成本不随时间变化。
(3)生产排放系数δi
煤炭采选产生的温室气体主要来源于煤矿瓦斯逃逸、矿后甲烷逃逸、煤自燃、采选能耗排放四个方面。
煤炭在形成的地质过程中会产生甲烷,所以开采时残留在煤层中的甲烷会释放出来,即煤矿瓦斯逃逸。煤矿瓦斯是造成煤矿事故的主要原因,且瓦斯属非常规天然气,有一定利用价值,因此在许多井矿,尤其是高、突瓦斯矿皆有瓦斯抽采回收设备。2015年中国煤矿瓦斯抽采136亿m³,利用48亿m³;《煤层气开发利用“十三五”规划》要求2020年煤矿瓦斯抽采140亿m³,利用70亿m³。随着技术的不断发展,各省煤矿瓦斯抽用率不断提升,年增长约0.92%[14]。各省煤矿瓦斯排放系数如下:
A δ i = ϕ i × ( 1 - ψ i ) (4)
式中: ϕ i 表示i省煤矿瓦斯涌出系数;Ψi表示i省煤矿瓦斯利用率。由于地理环境因素导致中国各省煤矿瓦斯含量不同,且由于各省煤矿不断开发或更新换代等因素,致使煤矿瓦斯涌出系数逐年变化,在2005-2010年中国矿井瓦斯等级鉴定结果的基础上,测算2015年各省煤矿瓦斯涌出系数 ϕ i 与年增长率[14],如表2
Table 2 The CH4 emission factors from coal mining and its growth rates for each province of China in 2015

表2 2015年各省煤矿瓦斯涌出系数与增长率

省区 涌出系数/(kg/t) 年增长率
/%
省区 涌出系数/(kg/t) 年增长率
/%
省区 涌出系数/(kg/t) 年增长率
/%
北京 0.495 0 福建 0.495 0 云南 6.137 2.354
河北 2.501 -2.950 江西 6.646 -4.262 重庆 22.908 0.778
山西 4.387 0.122 山东 0.819 2.536 陕西 0.931 0
内蒙古 0.635 3.041 河南 8.671 -0.454 甘肃 1.284 0
辽宁 7.270 -2.218 湖北 5.528 3.071 宁夏 6.020 0
吉林 3.787 -2.127 湖南 6.239 -2.890 青海 0.495 0
黑龙江 12.733 7.353 广西 0.263 -15.588 新疆 2.105 0
江苏 2.636 -3.094 四川 8.514 0.130
安徽 12.503 -3.851 贵州 15.449 -2.038
煤炭运出矿后,在储存、运输过程中残存于煤中的少量甲烷会发生逃逸,矿后甲烷逃逸与煤矿瓦斯含量存在正相关关系,约是开采时甲烷涌出的0.16倍[15],因此i省矿后甲烷排放系数i=0.16 × ϕ i
煤炭在开采过程中会产生一定的损失,其中最主要的是煤自燃,约占原煤开采量的百分之一[16],因此i省煤自燃排放系数i=201 t/万t。
煤炭在采选过程中会消耗汽油、煤油、柴油、天然气、电力等能源,根据IPCC提出的排放因子法核算煤炭采选时能耗排放系数公式如下:
D δ i = t d i t × α t (5)
式中:dit表示i省万吨煤采选时t能源能耗;αt表示t能源排放因子。因各省能耗情况不明确,所以采用全国平均值,并假设短期内能耗不变。根据国家统计局2015年相关数据可得dit,再根据《2006年IPCC国家温室气体清单指南》可得αt,从而核算出万吨煤生产直接排放系数ix=22.868 t/万t;根据各省单位发电排放[17]核算出各省万吨煤生产间接排放系数iy,如表3
Table 3 The indirect emission factors for coal production (t/万t)

表3 煤炭生产间接排放系数

省区 间接排放 省区 间接排放 省区 间接排放 省区 间接排放 省区 间接排放
北京 135.844 吉林 284.391 江西 211.284 广西 215.645 陕西 198.699
河北 240.014 黑龙江 231.246 山东 208.645 四川 256.605 甘肃 217.530
山西 234.758 江苏 199.336 河南 215.762 贵州 211.874 宁夏 234.522
内蒙古 276.638 安徽 218.708 湖北 205.440 云南 309.373 青海 241.852
辽宁 272.278 福建 203.554 湖南 225.849 重庆 259.857 新疆 226.674
1.2.3 煤炭运输
煤炭主要通过铁路、公路、水路运输,运输分为省内运输和省际间运输,省内运输指本省需求的煤炭在本省内的运输,省际间运输指相邻两省间的煤炭调运。模型优化部分只考虑省际间煤炭调运,核算碳排放时再考虑省内运输。
(1)煤炭调运现有格局
中国煤炭资源区域分布极其不均,目前煤炭生产主要集中在中西部、北部地区,消费主要集中在东部沿海和南方地区,煤炭供需的逆向分布,形成了中国“北煤南运、西煤东调”格局。铁路以运力大、速度快、成本低、能耗小等优势,成为中国煤炭主要运输方式;煤炭经铁路输送到环渤海各港口,再通过海路输送到东南沿海各省,形成铁海联运模式;公路运输作为铁路的重要补充,具有极强的灵活性,但由于成本因素,理论上只适合区域内近距离少量运输,而事实上由于部分地区当前铁路运力不足,在产煤大省如山西、陕西、内蒙古、新疆等以及中转地河南、湖南等,有相当一部分煤炭通过公路中距离调运。目前中国煤炭净调出区主要有“三西”(山西、陕西、蒙西)、新疆、贵州、蒙东等地区,煤运通道以这些地区为核心向其他地区辐射。
“三西”煤外运铁路系统较为发达,北通道中,煤炭主要经大秦线(双线电气化重载,运能4.5亿t)、朔黄线(双线电气化重载,运能3.5亿t)、丰沙大线(双线电气化,运能0.25亿t左右)、京原线(单线非电气化,运能0.1亿t左右)、集通线(单线非电气化,拟建二线,运能0.15亿t左右)、蒙冀铁路(双线电气化,运能1亿~2亿t)等输送至京津冀地区,进而部分经京沈线、京通线、京承锦线(三线均为双线电气化)等调运至东北地区,部分经京九线、京广线、京沪线(三线均为双线电气化)等调运至黄淮海地区,大部分经海路调运至东南沿海地区。中通道中,煤炭主要经邯长线(部分路段单线电气化,运能0.4亿t左右;部分路段双线电气化,运能1.8亿t左右)、石太线(双线电气化,运能1.2亿t左右)、瓦日铁路(双线电气化重载,运能1.3亿~2亿t)和邢铁路(在建,单线电气化,运能0.4亿t左右)等输送至河北,进而部分经邯济线(双线电气化,运能1.3亿t左右)、石德线(双线电气化)等调运至山东。南通道中,一部分煤炭主要经太焦线(双线电气化,运能0.9亿t左右)、侯月线(双线电气化,运能1.8亿t左右)等输送至河南,进而部分经京九线、京广线、焦柳线(部分非电气化,拟电气化)等调运至华中、华南地区,部分经焦日铁路调运至山东;另一部分煤炭主要经陇海线(双线电气化,运能1亿t左右)、西康线(双线电气化,运能0.5亿t左右)、襄渝线(双线电气化)、宁西线(双线电气化,运能0.5亿t左右)、宝成线(电气化,部分单线,运能0.5 亿t左右)、蒙华铁路(在建,双线电气化重载,运能1亿~2亿t左右)等输送至西南、华中地区,部分调运至江苏。
“三西”区域内煤运通道相对完善,蒙煤主要经包西线(双线电气化,运能1亿t左右)、包神线(双线电气化,运能1亿t左右)等输送至陕西进而集运至山西或外运,经大准线(单线电气化重载,运能1亿~1.5亿t)、准池线(双线电气化重载,运能1亿~2 亿t)、准朔线(单线电气化,运能0.3亿~0.5亿t)、京包线(双线电气化)等输送至山西进而外运;陕煤主要经神朔线(双线电气化重载,运能1.2亿t左右)、陇海线(双线电气化,运能0.4亿t左右)、太中银铁路、黄韩侯铁路、侯西线(三线均为双线电气化,总运能1.6亿t左右)等输送至山西进而外运;同蒲铁路(电气化,部分区段单线)贯穿山西南北,衔接多条运煤线,实现煤炭集疏运功能。
疆煤铁路外运比较紧缺,大部分疆煤经兰新线(双线电气化,运能0.7亿t左右)输送至甘肃,进而经兰渝铁路、成兰铁路(两线均为双线电气化)等调运至西南地区;部分疆煤经临哈铁路(临策段运能0.3亿t左右,哈额段为单线内燃)输送至内蒙古;中国拟建设新疆南翼铁路运煤专线,加强通往西南地区的运能。
蒙东—东北地区铁路煤运系统相对落后,蒙东煤炭主要经赤大白铁路(单线非电气化,运能0.22亿t左右)、巴新铁路(单线非电气化,运能0.25亿t左右)、锡乌线(单线非电气化)、锡多铁路(双线电气化)、通霍线(双线电气化,拟建二线,运能0.7亿t左右)等输送至东北地区。
贵州煤炭运能与产能较为匹配,主要经南昆线(双线电气化,运能0.2亿~0.3亿t)、沪昆线(双线电气化)调运至云南、湖南、广西、江西及川渝,调运量较少。
(2)省际间运输能力EPji
公路运输作为铁路运输的补充,理论上其运能无限大,但由于其运输成本远高于铁路,因此模型在选择运输方式时会优先考虑铁路,当铁路运力不足时,再考虑是否扩能改造或选择公路,已有铁路和国家拟建铁路不再考虑建设投资成本,特定水路(冀、津至苏、沪、浙、闽、粤、桂)运能固定。由于ij两省间煤炭运输可能存在多条已有铁路,因此将这些铁路看成一条铁路,该虚拟铁路的运距Dji为多条铁路长度的加权平均值,运输能力EPRji是实际铁路运能之和,计算公式如下:
D ji = λ = 1 E R j λ i λ = 1 E R j λ i × D j λ i EP R ji = λ = 1 E R j λ i (6)
式中: D j λ i j省到i省的第λ条铁路运距; E R j λ i 指该条铁路的运能。
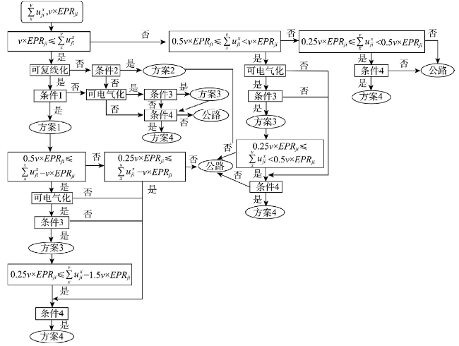
优化模型对于运输方式选择的逻辑如图2所示,其中 u ji x ij两省第x年的煤炭铁路运能缺口;v指铁路在模型中使用的时间; EP R ji ij两省间铁路运能。方案1指修建复线(仅单线铁路可选择,成本 CIR 1 ji 中等,运能提高 EP R ji ),方案2指增建二线(适用于所有铁路,设定新建铁路与已有铁路相同,成本 CIR 2 ji 最高,运能提高 EP R ji ),方案3指电化改造(仅内燃铁路可选择,成本 CIR 3 ji 较低,运能提升 0.5 EP R ji ),方案4指其他改造(主要指优化运输组织或改变信号、联锁、闭塞设备等,适用于所有铁路,成本 CIR 4 ji 最低,运能提升 0.25 EP R ji [18]。各条件是各方案可实行的经济条件,条件1为 CP D ji × EP R ji CIR 1 ji w ,条件2为 CP D ji × EP R ji CIR 2 ji w ,条件3为 CP D ji × 0.5 EP R ji CIR 3 ji w ,条件4为 CP D ji × 0.25 EP R ji CIR 4 ji w , CP D ji 为公路与铁路单位运价差;w为铁路行业建设投资基准回收期。
Fig. 2 The logic diagram of the choice of the transportation method

图2 运输方式选择逻辑图

因此两省间运能EPji为虚拟铁路运能、优化提能、公路运能三者之和,见下式:
E P ji = EP R ji + EP I ji + EP H ji (7)
式中: EP R ji 指已有铁路运能; EP I ji 指优化方案所提升的铁路运能; EP H ji 指公路运能。
(3)省际间调运成本CPji
j省到i省吨煤铁路运输成本 CP R ji 、公路运输成本 CP H ji 计算公式如下[19]
CP R ji = CP R 1 + ( CP R t + CP R e + CP R b ) × D ji CP H ji = CPH × D ji (8)
式中:CPR1为发到基价,由于模型中运输是递进式的,只有相邻两省才会发生调运,且发到基价与运距无关,因此为避免重复计算CPR1,设定CPR1=0;CPRt为运行基价;CPRe为电气化附加费;CPRb为铁路建设基金;CPH为煤炭吨公里公路运输成本。由于成本主要受物价指数的影响,因此为方便计算,假设成本不随时间变化。
(4)省际间运输排放系数εji
煤炭省际间运输中,j省到i省运输直接排放系数和间接排放系数如下:
ε ji x = A ε ji x × D ji × θ ji ax + × D ji × θ ji b + × D ji × θ ji c (9)
ε ji y = A ε ji y × D ji × θ ji ay (10)
式中:jixj省到i省内燃机车万吨公里直接排放系数;θjiax为省间内燃机车运输占比;为公路万吨公里排放系数;θjib为省间公路运输占比;为水路万吨公里排放系数; θjic为省间水路运输占比;jiyj省到i省电力机车万吨公里间接排放系数;θjiay为省间电力机车运输占比。
(5)省内运输排放系数εi
煤炭省内运输中,i省运输直接排放系数和间接排放系数如下:
ε i x = A ε i x × D R i × θ i ax + × D H i × θ i b (11)
ε i y = A ε i y × D R i × θ i ay (12)
式中:ixi省内燃机车万吨公里排放系数;θiaxi省内燃机车运输占比;θibi省公路运输占比(据中国煤炭运销协会、中债资信煤炭数据平台研究,省内煤炭公路运输占比约73%);DRi为省内铁路平均运距(由于煤炭经铁路运输在沿途各站卸下,所以自运煤火车进入本省直到离开本省的过程中,火车上的煤炭量逐渐减少,所以DRii省最长运煤铁路距离的一半);DHi为省内公路平均运距;iyi省电力机车万吨公里间接排放系数;θiayi省电力机车运输占比。
公路运输能耗=1.9074 t/万t·km,水路运输能耗Cε=0.6867 t/万t·km [20],由铁道部资料及相关研究[17,21-22]核算jixjiyixiy,而θjiaθjibθjic由模型优化结果决定。

2 结果分析

2.1 煤炭供应格局优化及分析

通过GAMS求解得到中国煤炭生产、调运优化格局,见图3图4,并分区域进行煤炭供给分析。按地理分布及煤炭供需特点将中国分为8个区域,晋陕蒙宁甘、新疆、黄淮海(京、津、冀、鲁、豫、皖)、东北(黑、吉、辽)、华中(鄂、湘、赣)、西南(川、渝、黔、滇)、东南沿海(苏、沪、浙、闽、粤、桂)、其他地区(包括进口)。
Fig. 3 The optimized layout of coal production

图3 煤炭生产优化布局

Fig. 4 The optimized pattern of coal transportation

图4 煤炭调运优化格局
注:本图基于国家测绘地理信息局标准地图服务网站下载的审图号为GS(2016)1598号的标准地图制作,底图无修改,下同。

(1)生产优化布局
在各省煤炭资源赋存、现有煤炭产能、省际间煤炭运能及相关政策的约束下,模型优化结果显示中国煤炭开发将逐渐集中于晋蒙、西北地区,其他地区呈不同程度下降。2015-2030年间,中国煤炭总产量先增后减,其中集中区产量保持绝对增长,占全国产量比例从2015年的71%,到2020年的74%、2025年的86%、2030年的88%。
① 晋陕蒙宁甘稳步发展
晋陕蒙宁甘是中国最主要的煤炭开发基地,该地区资源丰富、生产成本较低,且有发达的煤运通道。模型结果显示:到2020年后,蒙煤产量稳定在10.5亿~11亿t,晋煤产量稳定在9.5亿~10亿t,陕煤产量稳定在5.5亿~6亿t,宁煤产量稳定在0.9亿~1亿t,甘煤产量稳定在0.5亿t左右。
② 疆煤持续发力
随着煤炭需求缺口不断扩大,仅依靠晋陕蒙宁甘的供应不足以弥补其他地区的缺口,需发挥新疆作为大型煤炭生产基地的战略能源储备与接替作用。疆煤储量丰富、生产成本低,但受运输掣肘,产量与其生产优势不相匹配,模型结果显示:2020年疆煤产量不足2亿t;2020年后随着运输瓶颈的打破,疆煤发展快速,到2030年产量将翻半番。
③ 黄淮海开发规模持续压缩
黄淮海一带生产成本高,且受到政策性限制,但其开发规模较大,又是主要的煤炭消费区,未来仍将保持一定的规模。模型结果显示:2020年该区域煤炭产量将减少至4.2亿t左右,其中北京退出生产;2030年的产量将压缩至2.2亿t左右。
④ 东北煤炭大幅压减
东北地区是老工业基地,煤炭需求较大。黑龙江资源较多,且地处边界,还要支持辽吉两省需求,因此将保持现有规模;辽吉资源面临枯竭,未来将大幅压缩生产。
⑤ 西南煤炭产业面临冲击
西南地区煤炭资源较多,生产成本中等,但煤炭产能主要集中在云贵,而区域内通往川渝的铁路运力较弱,且运输成本相对较高,随着新疆、“三西”地区煤外运通道不断发展,未来将受到大量廉价的疆煤、“三西”煤冲击,煤炭开发不断压缩。模型结果显示:2020年该区域煤炭产量降至3亿t左右,到2030年产量将压缩一半。
⑥ 华中、东南沿海逐步退出生产
鄂湘赣、东南沿海地区不仅开发规模小、生产成本高,且资源面临枯竭,又是“三西”煤运通道强辐射区,2020年后将大幅压缩生产规模,并于2025年左右退出生产。
(2)调运优化格局
随着中国煤炭产业不断集中,部分地区需求缺口将持续扩大,所需煤炭大多源于集中区,这将在一定程度上加剧煤炭调运压力。但由于中国煤炭行业总体呈下降趋势,所以新建铁路未来利用率不断降低,投资回收期较长,因此以成本最小化为目标的优化模型中,仅在煤炭开发潜力巨大而当前铁路系统相对落后的区域新建铁路,部分区域通过不同扩能改造方式来提高运能,多数地区煤炭铁路运能缺口较小,以公路运输补充。
① 新建疆煤外运通道
疆煤开发潜力巨大,成本最低,因此外运量不断上升,新建铁路的投资回收期较短。甘肃是疆煤外运咽喉,且与西南、“三西”地区有相对完善的铁路系统,因此优化模型通过建设新疆—甘肃运煤专线来提高运能,即建设第二兰新运煤专线(哈密—兰州段);并加强甘肃通往陕西的运输能力,即对陇海线的兰州—西安段增建二线。
② 改造西南疏运铁路
优化模型对西南地区部分疏运铁路进行了扩能改造,以提高疆煤、陕煤入川渝能力,即对兰渝铁路、成兰铁路、西康线、襄渝线、宝成线等进行其他改造,提高运能25%,剩余的运能缺口以公路运输为补充。
③ 扩能蒙东—东北已有铁路
东北地区是蒙东煤炭基地直接门户,有相对完善的路网格局,但部分铁路属单线非电气化铁路,面对持续增长的煤炭缺口,铁路运力不足。优化模型对部分铁路进行了扩能改造,即对赤大白铁路、巴新铁路等增建复线并电气化改造,提高运能以满足辽宁需求;电气化改造锡乌铁路,提高蒙煤通往吉林的能力。
其他地区在已有或拟建设铁路的基础上,运能缺口较小,扩能改造的投资回收期较长,因此模型选择以公路为补充。优化结果显示,2020年后“三西”地区煤外运量超过15亿t,已有及拟建设铁路运力充足;黄淮海地区需求缺口虽不断扩大,但该地区是“三西”煤外运直接辐射区,且蒙华铁路的建成将分担西煤东运的压力,因此已有铁路运力相对充足,少部分煤炭需通过公路调运;华中地区需求缺口先增后减,2025年达到2.7亿t,而蒙华铁路将大幅提高北煤南调能力,因此运力较为充足,极少部分煤炭需通过公路调运;东南沿海地区需求缺口逐年收缩,铁路、海路运力将呈宽松状态。

2.2 优化格局下的碳排放

根据模型优化结果与碳排放核算原理,得到优化格局下各省煤炭生产碳排放情况如图5,并最终核算出煤炭供应行业的碳排放总量见图6
Fig. 5 The carbon emissions of coal production in each province of China

图5 煤炭生产排放

Fig. 6 The total carbon emissions of coal supply industry

图6 煤炭供应行业总排放

以成本最小化为目标的优化模型,对煤炭供应行业的减排亦有一定的正向效应。核算结果显示,2020年中国煤炭供应行业总排放约6.41亿t CO2当量,其中生产排放约5.13亿t,运输排放约1.28亿t,与2015年未优化的煤炭供应行业相比,尽管2020年的煤炭供应增幅接近5.40%,但供应行业排放却减少3.82%,单位供应排放比2015年降低8.75%。这主要是由于在优化模型中,一方面随着煤炭开发不断集中化,生产增量将主要体现在集中区,其他地区的生产反而绝对下降,而集中区的单位生产排放较低,因此全国煤炭生产总排放减少;另一方面铁路运力的提升降低了公路运输量,从而吨煤运输平均排放减少。2020年后,中国煤炭行业呈现长期下降趋势,且煤炭开发进一步集中化,因此供应行业总排放快速降低,预计到2030年总排放约5.26亿t CO2当量,单位供应排放比2015年降低15.34%,其中生产排放约4.14亿t,运输排放约1.12亿t。

3 结论

中国煤炭供应行业碳排放总体上虽呈下降趋势,但总量依然巨大,在减排道路上仍需更进一步。从供给端来看,建议加速煤炭产业集中化布局,产业集中化有利于落实节能减排政策、提高产业技术水平、减少对环境的破坏、打造集约高效的开发格局。还需加快煤矿瓦斯抽用技术研发,加大政策扶持力度,加快技术推广尤其是在高、突瓦斯矿较多的地区,如山西、黑龙江、河南、安徽、四川、重庆、贵州、云南等。发展煤矿瓦斯抽采利用技术,一方面有利于降低温室气体排放,减少煤矿事故;另一方面可促进形成煤层气产业,实现正收益。从运输方面来看,当前中国煤炭铁路总运能已处于较高水平,但存在地方性紧张,部分地区铁路运能不足,不得不依靠公路运输,导致高成本、高排放、高污染。模型通过对部分地区煤运铁路进行优化,在一定程度上降低了供应成本及排放,因此建议加快落实国家拟建、拟改造铁路项目,并扩能改造煤炭运力不足的地区,提高运能以解决不断增长的煤炭调运量与现有铁路运能不相匹配的矛盾。

The authors have declared that no competing interests exist.

[1]
赵媛, 于鹏. 我国煤炭资源空间流动的基本格局与流输通道. 经济地理, 2007, 21(2): 196-200.

[ZHAO Y, YU P.The spatial pattern of coal flow and flowing channel in China. Economic Geography, 2007, 21(2): 196-200.]

[2]
高卫东, 姜巍. 中国煤炭资源供应格局演变及流动路径分析. 地域研究与开发, 2012, 31(2): 9-14.

[GAO W D, JIANG W.On the geographical attributes of space of flows and their effects in regional development. Areal Research and Development, 2012, 31(2): 9-14.]

[3]
王伟, 王成金. 中国沿海港口煤炭运输的空间分异格局及演化. 地理学报, 2016, 71(10): 1752-1766.

[WANG W, WANG C J.Spatial evolution of coal transportation of coastal ports in China. Acta Geographica Sinica, 2016, 71(10): 1752-1766.]

[4]
汪应宏, 郭达志, 张海荣, 等. 我国煤炭资源势的空间分布及其应用. 自然资源学报, 2006, 21(2): 225-230.

[WANG Y H, GUO D Z, ZHANG H R, et al.On the geographical attributes of space of flows and their effects in regional development. Journal of Natural Resources, 2006, 21(2): 225-230.]

[5]
周洪, 谷树忠, 姚予龙, 等. 基于资源场势的我国煤炭空间配置特征研. 自然资源学报, 2013, 28(7): 1094-1105.

[ZHOU H, GU S Z, YAO Y L, et al.Characteristics of coal resources spatial allocation in China: Based on resource field and potency. Journal of Natural Resources, 2013, 28(7): 1094-1105.]

[6]
王成金, 莫辉辉, 王姣娥. 中国煤炭资源的流动格局及流场规律研究. 自然资源学报, 2009, 24(8): 1402-1411.

[WANG C J, MO H H, WANG J E.Regularity and pattern of Chinese coal resources flow field. Journal of Natural Resources, 2009, 24(8): 1402-1411.]

[7]
刘金平, 杨贺, 何高文, 等. 我国煤炭运输通道优化布局研究. 中国煤炭, 2013, 39(10): 15-20.

[LIU J P, YANG H, HE G W, et al.Study on optimization of coal transport corridors lay-out in China. China Coal, 2013, 39(10): 15-20.]

[8]
中国能源研究会. 中国能源展望2030. 北京: 经济管理出版社, 2016.

[China Energy Research Society. China Energy Outlook 2030. Beijing: Energy and Management Publishing House, 2016.]

[9]
国家发展改革委, 国家能源局. 煤炭工业发展十三五规划. 2016.

[National Development and Reform Commission, National Energy Administration. Planning for the development of the coal industry in 13th Five-Year, 2016.]

[10]
国务院. 关于煤炭行业化解过剩产能实现脱困发展的意见. 2016. 关于煤炭行业化解过剩产能实现脱困发展的意见. 2016.

[The State Council.Opinions on removing overcapacity and realizing development from difficulty in coal industry. 2016. Opinions on removing overcapacity and realizing development from difficulty in coal industry. 2016.

[11]
郭然. 准东煤田奇台县将军戈壁二号露天矿项目评价. 北京: 北京化工大学, 2014.

[GUO R.Evaluation of the project of general Gobi's second strip mine in Qitai county. Beijing: Beijing University of Chemical Technology, 2014.]

[12]
姚秀英. 内蒙古东明煤矿投资项目可行性分析研究. 广州: 华南理工大学, 2012.

[YAO X Y.Analysis and research on the feasibility of the investment on DongMing Coal Mine in Inner Mongolia. Guangzhou: South China University of Technology, 2012.]

[13]
艾克中. 贵州永贵能源公司新田矿井投资分析研究. 厦门: 厦门大学, 2014.

[AI K Z.Forever Yong Gui energy company Xintian Mine in Guizhou investment analysis. Xiamen: Xiamen University, 2014.]

[14]
ZHU T, BIAN W J, ZHANG S Q, et al.An improved approach to estimate methane emissions from coal mining in China. Environmental Science & Technology, 2017, 51(21): 12072-12080.

[15]
王宁. 基于区域因子分析的我国煤矿甲烷排放与控排对策研究. 北京: 中国矿业大学, 2013.

[WANG N.Research on China CMM emissions and control mearsures based on regional factor analysis. Beijing: China University of Mining & Technology, 2013.]

[16]
晓斌, 张阿玲, 陈贵锋. 中国洁净煤发电的生命周期清单分析. 洁净煤技术, 2005, (2): 1-4, 14.

[XIAO B, ZHANG A L, CHEN G F.Life cycle inventory of clean coal-fired power generation in China. Clean Coal Technology, 2005, (2): 1-4, 14.]

[17]
吕涛, 王飞, 刘风. 中国跨区域铁路煤炭运输CO2排放及运输格局优化研究. 中国煤炭, 2017, 43(5): 16-21, 33.

[LYU T, WANG F, LIU F.Study on CO2 emission from interprovincial railway coal transportation and transport pattern optimization. China Coal, 2017, 43(5): 16-21, 33.]

[18]
帅娟, 马波涛. 铁路扩能改造方案效果研究. 铁道经济研究, 2012, (6): 35-39.

[SHUAI J, MA B T.Study on the effect of railway expansion project. Railway Economics Research, 2012, (6): 35-39.]

[19]
铁道部. 铁路货物运价规则. 2005.

[Ministry of Railways. Railway Freight Tariff rules, 2005.]

[20]
高俊莲, 徐向阳, 郑凤琴, 等. 基于全生命周期的煤炭碳排放清单计算与不确定性分析. 中国煤炭, 2017, 43(6): 22-26.

[GAO J L, XU X Y, ZHENG F Q, et al.Coal carbon emission inventory calculation and uncertainties analysis based on life cycle analysis. China Coal, 2017, 43(6): 22-26.]

[21]
张树. 公路煤炭物流网络优化研究. 北京: 中国矿业大学, 2016.

[ZHANG S.Optimization of the road coal logistics network in Shanxi. Beijing: China University of Mining & Technology, 2016.]

[22]
张志俊. 区域煤炭公路运输问题研究. 西安: 长安大学, 2015.

[ZHANG Z J.Study on the regional road transportation of coal. Xi'an: Chang'an University, 2015.]

Outlines

/